Centrala nawiewna ÖSTBERG SAU 200 B3 EC-y1 5 kW
Jednostka powietrza nawiewanego SAU została zaprojektowana tak, aby zapewnić komfortowy klimat w pomieszczeniu z kontrolowanym ogrzewaniem i czystym, filtrowanym powietrzem. SAU jest dostępny z silnikiem EC.
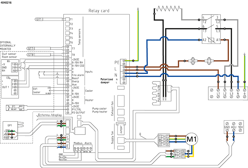
Izolowana Jednostka powietrza nawiewanego z okrągłymi połączeniami. Zaprojektowany, aby zapewnić komfortowy klimat w pomieszczeniu z kontrolowanym ogrzewaniem i filtrowanym, czystym powietrzem. Urządzenie posiada zewnętrzną jednostkę sterującą do pracy i ustawiania wymaganej temperatury, a także monitorowania stanu urządzenia. Niski poziom hałasu, wysoka niezawodność działania i zapewnia czyste powietrze w pomieszczeniach. Pochodzi z komunikacji Modbus poprzez RS485 w standardzie. W komplecie z filtrem, wentylatorem, czujnikiem kanałowym i nagrzewnicą elektryczną w standardzie. Przepływ powietrza jest generowany przez cichy wentylator promieniowy z silnikiem EC, wirnik z zakrzywionymi do tyłu łopatkami. Dom wentylatora i wirnik są łatwe do czyszczenia. Pochodzi z filtrem ISO ePM1 50% w standardzie. Filtr jest bardzo łatwy do wymiany. Połączenia kanałów są wyposażone w gumowe uszczelki. Urządzenie jest wykonane z blachy stalowej ocynkowanej i izolowane łatwym do czyszczenia włóknem szklanym 30 mm. Do umieszczenia w ciepłych lub zimnych miejscach.
Dane techniczne
| SAU 200 B3 EC-y1 8000070 |
||
|---|---|---|
| Parameter | Value | Unit |
| Napięcie | 400 | V |
| Faza | 3 | ~ |
| Częstotliwość | 50/60 | Hz |
| Moc | 5140 | W |
| Moc, wentylatory | 127 | W |
| Moc nagrzewnica | 5000 | W |
| Prąd | 13.5 | A |
| Prąd, wentylator | 1.00 | A |
| Prąd nagrzewnica | 12.5 | A |
| Prędkość | 2900 | r.p.m. |
| Maks. temperatura transportowane powietrze | 60 | °C |
| Poziom ciśnienia akustycznego w odl. 3 m | 43 | dB(A) |
| Waga | 26.0 | kg |
| Klasa ochrony, silnik | 44 | IP |
| Klasa izolacji obudowy, silnik | F | |
| Kondensator | - | µF |
| Przyłącza kanałów | 200 | mm |
| Maks. Wydatek @ 0Pa | 214 | l/s |
| Maks. Ciśnienie | 553 | Pa |
| Zakres napięcia | 380-415 | V |
Karta informacyjna produktu
| Parameter | Value | Unit |
|---|---|---|
| (a) Nazwa dostawcy lub znak towarowy | Östberg | - |
| (b) Identyfikator modelu | SAU 200 B3 EC | - |
| (c) SEC strefa klimatu umiarkowanego | -26.9 | kWh/m2 |
| SEC strefa klimatu umiarkowanego, klasa | B | - |
| SEC strefa klimatu ciepłego | -11.4 | kWh/m2 |
| SEC strefa klimatu ciepłego, klasa | E | - |
| SEC strefa klimatu chłodnego | -54 | kWh/m2 |
| SEC strefa klimatu chłodnego, klasa | A+ | - |
| (d) Typologia | RVU / UVU | - |
| (e) Rodzaj napędu | Variable speed drive | - |
| (f) Typ układu odzysku ciepła | N/A | - |
| (g) Sprawność cieplna odzysku ciepła | N/A | % |
| (h) Maksymalna wartość natężenia przepływu | 663 | m3/h |
| (i) Pobór mocy napędu wentylatora | 123 | W |
| (j) Poziom mocy akustycznej | 48 | dB LwA |
| (k) Natężenie przepływu strumienia odniesienia | 0.145 | m3/s |
| (l) Wartość odniesienia różnicy ciśnienia | 50 | Pa |
| (m) Jednostkowy pobór mocy | 0.11 | W/(m3/h) |
| (n) Typ sterowania/Czynnik rodzaju sterowania | Local demand control(accessory)/0.65 | - |
| (o) Stopnie zewnętrznych (i wewnętrzny) przecieków powietrza | 1.3 (N/A) | % |
| (p) Szybkość mieszania | N/A | - |
| (q) Umiejscowienie mechanizmu wizualnego ostrzeżenia o konieczności wymiany filtra | N/A | - |
| (r) Instrukcje montażu | See manual | - |
| (s) Instrukcje montażu wstępnego/demontażu - URL | fsp.ostberg.com | - |
| (t) Czułość przepływu powietrza | N/A | - |
| (u) Szczelność powietrzna | N/A | m/s |
| (v) Roczne zużycie energii elektrycznej | 56 | kWh |
| (w) Roczne oszczędności w ogrzewaniu w klimacie umiarkowanym | 2830 | kWh |
| Roczne oszczędności w ogrzewaniu w klimacie ciepłym | 1280 | kWh |
| Roczne oszczędności w ogrzewaniu w klimacie chłodnym | 5536 | kWh |
Wymiary

Dane techniczne
| Producent | Östberg |
|---|---|
| Kolor | Srebrny |
| Gwarancja | 5 lat |
Materiały do pobrania:
Instrukcje
EU Deklaracja
deklaracje zgodności
rysunki 3D
Podmiot odpowiedzialny: : Iglotech Sp. z o.o.
Adres: Toruńska 41, 82-500 Kwidzyn
Email: iglotech@iglotech.com
Centrala nawiewna ÖSTBERG SAU 200 B3 EC-y1 5 kW
Firma Östberg dąży do osiągnięcia pozycji dostawcy wiodącego na skalę światową pod względem technicznym w zakresie innowacji, produkcji i sprzedaży wentylatorów kanałowych, agregatów wentylacyjnych oraz wirników.
Strona producenta: ostberg.com














Opinie
Na razie nie ma opinii o produkcie.